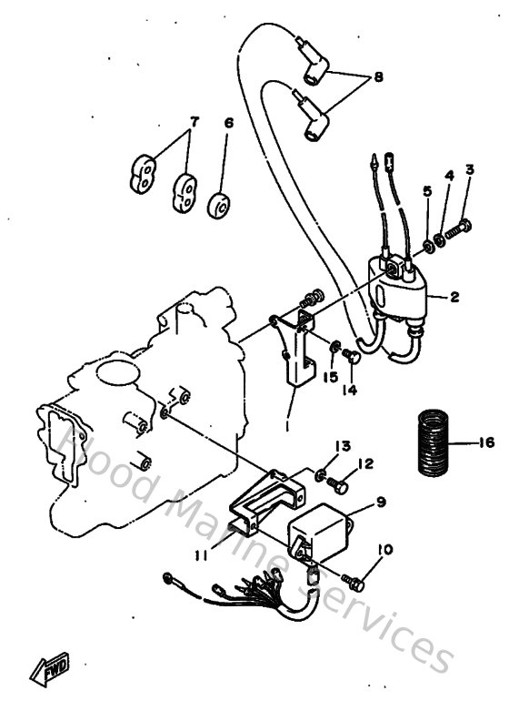
Yamaha Outboard Parts - Partie Electrique 1 - E8DMH (1997) | Flood Marine

Diagram: Partie Electrique 1

Diagram