New Search
Parts
New Outboards
Diagram Sections: E8DMH (1997)
Download as PDF
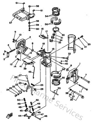
Bracket 1
Carburetor
Control
Cowling
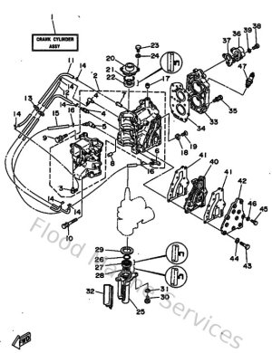
Crankshaft & Piston
Cylinder & Crankcase
Fuel
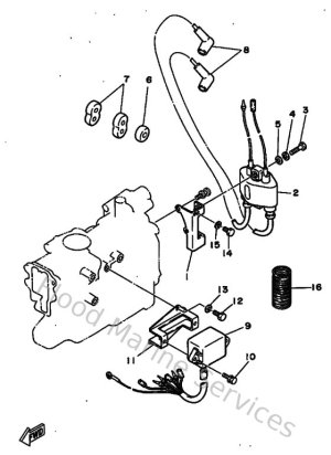
Generatrice
Intake
Kits De Reparation 1
Kits De Reparation 2
Lower Casing & Drive
Partie Electrique 1
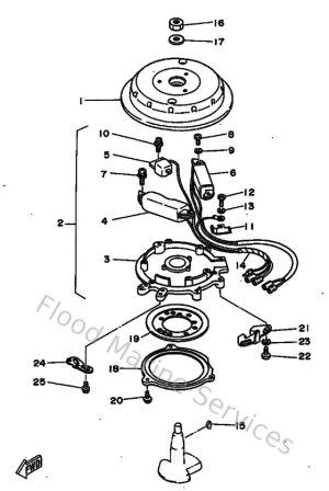
Starter
Upper Casing