Yamaha Outboard Parts - Partie Electrique 1 - F8BMH (1995) | Flood Marine
New Search
Parts
New Outboards
Home
F8BMH (1995)
Partie Electrique 1
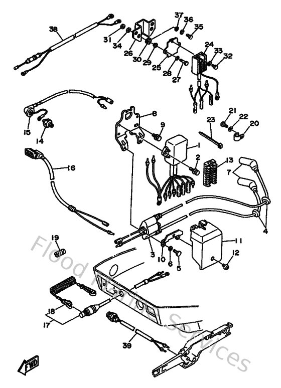
Diagram: Partie Electrique 1
Parts List
Reference
Description
Price
1
6G9855402100
C.d.i. unit assembly
Loading…
↗
2
975950652000
Bolt(7u8)
Loading…
↗
3
6G8855702100
Ignition coil assembly
Loading…
↗
4
904802516100
Grommet(656)
Loading…
↗
5
9010106M2700
Bolt
Loading…
↗
6
929900660000
Washer, plain (646)
Loading…
↗
7
6G8823702000
Plug cap assembly
Loading…
↗
8
6G8855420000
Bracket
Loading…
↗
9
970800602000
Bolt(7u8)
Loading…
↗
10
6G8855250000
Plate
Loading…
↗
11
6G8819160000
Cover, Terminal
Loading…
↗
12
989800600800
Screw, bind(2tv)
Loading…
↗
13
6G8825220000
Clamp
Loading…
↗
14
6G8825040000
Oil pressure switch
Loading…
↗
15
6G8821270000
Wire Lead 2
Loading…
↗
16
6G8835820100
Pilot Light assembly
Loading…
↗
17
6G8825750000
Engine stop switch assembly
Loading…
↗
18
682825560000
Lanyard, stop switch
Loading…
↗
19
9044610M0100
Tube (6e5)
Loading…
↗
20
904650802800
Clamp (1e6)
Loading…
↗
21
970130601200
Bolt(gh1)
Loading…
↗
23
80L263970000
Band
Loading…
↗
24
6J8819600000
Rectifier & regulator assembly
Loading…
↗
26
6G8819480200
Bracket
Loading…
↗
27
970950602500
Bolt
Loading…
↗
29
9038706M7000
Collar (6h5)
Loading…
↗
30
9048013M2400
Grommet (6e9)
Loading…
↗
31
953800670000
Nut
Loading…
↗
32
970950601600
Bolt, hexagon deep recess
Loading…
↗
36
929950610000
Washer(6a1)
Loading…
↗
38
6J8821051000
Battery cable
Loading…
↗
39
6G8825501000
Stop switch assembly
Loading…
↗