Yamaha Outboard Parts - Partie Electrique 2 - 115BETO (1995) | Flood Marine
New Search
Parts
New Outboards
Home
115BETO (1995)
Partie Electrique 2
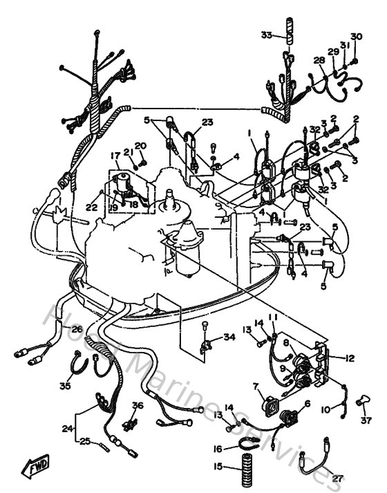
Diagram: Partie Electrique 2
Parts List
Reference
Description
Price
1
6E5855701100
Ignition coil assembly
Loading…
↗
2
970950603000
Bolt(jf7)
Loading…
↗
3
929900660000
Washer, plain (646)
Loading…
↗
5
6G1823702000
Plug cap assembly
Loading…
↗
6
61A819410000
Starter relay assembly
Loading…
↗
7
689819521000
Holder, starter relay
Loading…
↗
8
6E5819500000
Relay assembly
Loading…
↗
9
6E58195A0000
Relay assembly
Loading…
↗
10
6G5871491000
Connector
Loading…
↗
11
6E5821160000
Wire, minus lead
Loading…
↗
12
6E5819482200
Bracket
Loading…
↗
13
970950601600
Bolt, hexagon deep recess
Loading…
↗
15
6N7835570000
Tube
Loading…
↗
16
9046513M3900
Clamp(6e8)
Loading…
↗
17
6E5861100200
Solenoid
Loading…
↗
18
6E5861160100
Wire, pull
Loading…
↗
19
916903001000
Pin, spring (663)
Loading…
↗
22
932100326100
O-ring (663)
Loading…
↗
23
688825601000
Thermo switch assembly
Loading…
↗
25
682821510100
Fuse
Loading…
↗
26
6E5821051200
Battery cable
Loading…
↗
27
6E5821170000
Wire, lead
Loading…
↗
28
6E5825190000
Wire, Earth Lead
Loading…
↗
29
6E5825311000
Wire, lead
Loading…
↗
30
970950601200
Bolt(gh1)
Loading…
↗
32
9046508M0800
Clamp (6e5)
Loading…
↗
33
9044610M0100
Tube (6e5)
Loading…
↗
34
9046512M2500
Clamp (6e5)
Loading…
↗
35
9046513M3600
Clamp(6h4)
Loading…
↗
36
6G5821520000
Holder, fuse
Loading…
↗
37
6G5821190000
Cover, lead wire
Loading…
↗