Yamaha Outboard Parts - Power Trim & Tilt - 140AETOL (1996) | Flood Marine
New Search
Parts
New Outboards
Home
140AETOL (1996)
Power Trim & Tilt
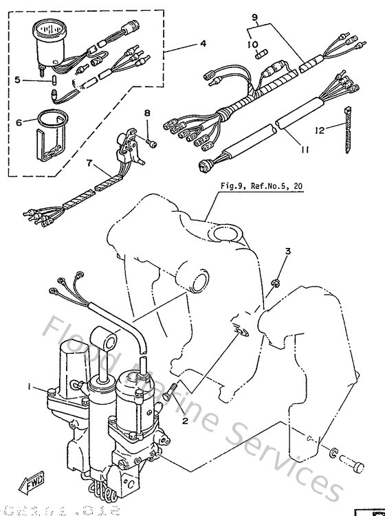
Diagram: Power Trim & Tilt
Parts List
Reference
Description
Price
3
901850805700
Nut, nylon (6j8)
Loading…
↗
4
6Y5836700000
Trim Meter assembly
Loading…
↗
5
6Y5835180000
Bulb (12v-1.7w) t6.5
Loading…
↗
6
688836640000
Damper
Loading…
↗
7
6E5836720100
Trim sender
Loading…
↗
8
985800601600
Screw pan head
Loading…
↗
9
6Y5835530000
Wire, lead (l=2.5m)
Loading…
↗
10
1E6821510000
Fuse (10a)
Loading…
↗
11
6E5825531000
Extension, Wire Harness
Loading…
↗
12
9046511M1000
Clamp
Loading…
↗