Yamaha Outboard Parts - Power Trim & Tilt Assy 1 - 50GETO (1993) | Flood Marine
New Search
Parts
New Outboards
Home
50GETO (1993)
Power Trim & Tilt Assy 1
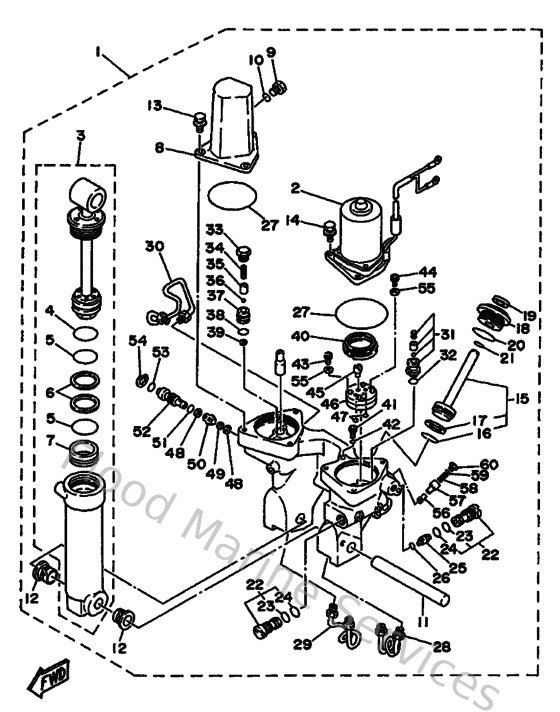
Diagram: Power Trim & Tilt Assy 1
Parts List
Reference
Description
Price
2
6H1438800200
Motor assembly
Loading…
↗
3
6974380E0100
Cylinder tilt assembly
Loading…
↗
4
6E5438610000
O-ring 1
Loading…
↗
5
6E5438620000
O-ring 2
Loading…
↗
6
6E5438720000
Ring, back-up 2
Loading…
↗
7
6E5438140100
Piston, free
Loading…
↗
8
6E5438280000
Body, reservoir
Loading…
↗
9
6E5438290000
Plug, reservoir
Loading…
↗
10
6E5438630000
O-ring
Loading…
↗
11
6E5438180000
Pin, lower shock mount
Loading…
↗
12
9038618M1400
Bushing (6e5)
Loading…
↗
13
9011906M4200
Bolt, with washer(6e5)
Loading…
↗
14
9011906M7100
Bolt, with washer(6h4)
Loading…
↗
15
6E5438200300
Piston sub assembly
Loading…
↗
16
6E5438640000
O-ring 4
Loading…
↗
17
6E5438740100
Ring, back-up 4
Loading…
↗
18
6E5438210100
Screw, trim cylinder end
Loading…
↗
19
6E5438220100
Seal, trim dust
Loading…
↗
21
6E5438650000
O-ring 5
Loading…
↗
22
6E5438020000
Valve Sub Assembly
Loading…
↗
23
6E5438660000
O-ring
Loading…
↗
24
6E5438670000
O-ring
Loading…
↗
25
6E5438410100
Piston, Shuttle
Loading…
↗
26
6E5438680000
O-Ring
Loading…
↗
27
6E5438690000
O-ring 9
Loading…
↗
28
6E5438330100
Pipe 1
Loading…
↗
29
6E5438340100
Pipe 2
Loading…
↗
30
6E5438350100
Pipe
Loading…
↗
31
6G5438080200
Seat Valve Comp 1
Loading…
↗
32
6E5438830000
O-ring 10
Loading…
↗
33
6E5438430000
Screw, Valve Lock
Loading…
↗
34
6E5438550000
Spring Up Relief
Loading…
↗
37
6E5438950000
Seat, relief valve 2
Loading…
↗
38
6E5438960000
O-ring
Loading…
↗
39
6E5438161000
Filter 1
Loading…
↗
40
6E5438171000
Filter 2
Loading…
↗
41
9010906M2100
Bolt (6e5)
Loading…
↗
42
6E5438970000
O-Ring
Loading…
↗
43
6E5438780000
Bolt, Socket
Loading…
↗
44
6E5438880100
Bolt, socket
Loading…
↗
45
6E5438310000
Connector, shaft
Loading…
↗
46
6E5438300000
Gear Pump assembly
Loading…
↗
47
9321007M7800
O-ring (6e5)
Loading…
↗
48
6E5438470000
Seat, manual valve
Loading…
↗
49
6E5438540100
Spring, manual release
Loading…
↗
50
6E54382A0000
Adaptor 1
Loading…
↗
51
9321010M7400
O-ring
Loading…
↗
52
6E5438450100
Screw, manual release
Loading…
↗
53
9321018M7500
O-ring (6e5)
Loading…
↗
54
6H1438750000
Ring, snap
Loading…
↗
55
9020105M0000
Washer (6E5)
Loading…
↗
56
6E54381A0000
Shaft
Loading…
↗
57
6E5438490100
Pin, valve support
Loading…
↗
58
6E5438240100
Spring Down Relief 2
Loading…
↗
59
9321006M7700
O-Ring
Loading…
↗
60
6E5438420000
Screw, valve seat
Loading…
↗