Yamaha Outboard Parts - Remo Con Attachment - E40XMH (2001) | Flood Marine
New Search
Parts
New Outboards
Home
E40XMH (2001)
Remo Con Attachment
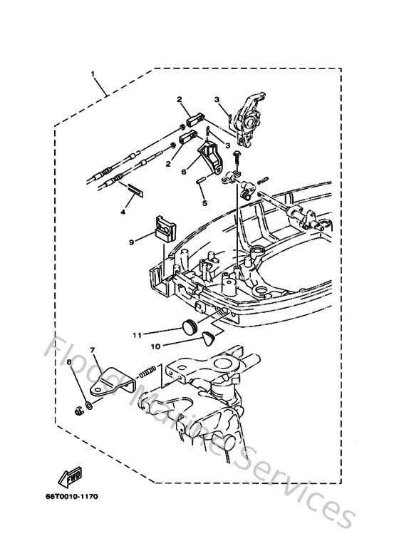
Diagram: Remo Con Attachment
Parts List
Reference
Description
Price
1
66T485010100
Remote cont. attachment assembly.
Loading…
↗
2
663483440000
Cable end, remote control
Loading…
↗
3
904681800800
Clip 620436610000
Loading…
↗
4
6H3485380000
Clamp, cable
Loading…
↗
5
9025403M0400
Pin, spring (6h3)
Loading…
↗
6
66T441250100
Lever, shift rod
Loading…
↗
7
65W485110100
Hook, steering
Loading…
↗
8
902011012000
Washer, plate
Loading…
↗
9
66T427253000
Grommet
Loading…
↗
10
65W263261000
Grommet
Loading…
↗
11
65W427261000
Grommet
Loading…
↗