Yamaha Outboard Parts - Remote Control Assy - 30DMH (1986) | Flood Marine
New Search
Parts
New Outboards
Home
30DMH (1986)
Remote Control Assy
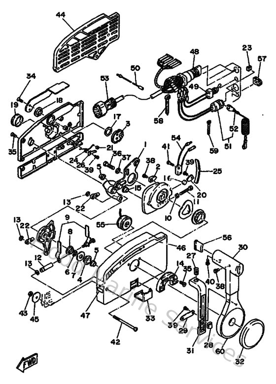
Diagram: Remote Control Assy
Parts List
Reference
Description
Price
1
703482301000
Remote control assembly (7p)
Loading…
↗
3
703481530000
Shaft, free accel.
Loading…
↗
4
702482350000
Bushing
Loading…
↗
5
703482730000
Bushing
Loading…
↗
7
703482680000
Spacer 3
Loading…
↗
8
703482630000
Bushing
Loading…
↗
9
703482640000
Throttle, friction
Loading…
↗
10
953800560000
Nut, hexagon (663)
Loading…
↗
12
703482650000
Shaft Friction
Loading…
↗
14
703482450000
Plate, lock
Loading…
↗
15
703482520000
Roller, cam
Loading…
↗
16
701482480000
Roller, free accel
Loading…
↗
17
703481980000
Washer, wave 3
Loading…
↗
18
703482430000
Bushing 3
Loading…
↗
19
703482360000
Bushing
Loading…
↗
20
703483450000
Cable end, remote control 2
Loading…
↗
21
703482340000
Roller, detent
Loading…
↗
23
703483580000
Anchor, cable
Loading…
↗
24
703482440000
Spring, free accel.
Loading…
↗
25
703482380000
Spring, detent
Loading…
↗
26
703482460000
Spacer 1
Loading…
↗
27
703482270000
Spring, neutral lock
Loading…
↗
28
703825940000
Clamp
Loading…
↗
29
703482260000
Plate, stopper
Loading…
↗
30
703482220000
Grip, control lever
Loading…
↗
31
703482230000
Lock, neutral
Loading…
↗
32
703482250000
Cover
Loading…
↗
33
703482190000
Cover, lead
Loading…
↗
34
987800501200
Screw(617)
Loading…
↗
35
987800501600
Ybs53-516 screw,flat head
Loading…
↗
36
973800803000
Bolt, hexagon (fj1)
Loading…
↗
37
929900860000
Washer, plain (663)
Loading…
↗
38
985800401000
Screw, pan head (e56)
Loading…
↗
39
985800400600
Screw, pan head (7h3)
Loading…
↗
40
985800501000
Screw, pan head(62x)
Loading…
↗
41
985800301400
Screw, pan head (n151)
Loading…
↗
42
926800609000
Screw
Loading…
↗
43
953800660000
Nut(661)
Loading…
↗
44
703482931000
Spacer, remote control
Loading…
↗
45
701482870000
Washer 1
Loading…
↗
46
703482150000
Graphic
Loading…
↗
48
703825101800
Main Switch
Loading…
↗
49
703825310000
Wire, lead
Loading…
↗
50
688825740000
Switch, choke
Loading…
↗
51
688825750200
Engine stop switch assembly
Loading…
↗
52
682825560000
Lanyard, stop switch
Loading…
↗
53
688825862100
Extension, wire harness
Loading…
↗
54
703825400000
Neutral switch assembly
Loading…
↗
55
703833831100
Buzzer
Loading…
↗
56
703482240000
Cover, control lever
Loading…
↗
57
703482840000
Grommet
Loading…
↗
58
703825910000
Band
Loading…
↗
59
1UA825910000
Band
Loading…
↗
60
703482210000
Grip
Loading…
↗
1
701481011000
Remote control assembly
Loading…
↗
2
701481971000
Washer, wave 2
Loading…
↗
3
701482520000
Roller, cam
Loading…
↗
4
701482340000
Bushing 1
Loading…
↗
5
701482210000
Lever, control
Loading…
↗
6
701481961100
Washer, wave 1
Loading…
↗
7
701482360000
Roller, detent
Loading…
↗
8
702482370000
Adaptor
Loading…
↗
9
702482380000
Spring, Detent
Loading…
↗
10
701482490000
Spring, adapter
Loading…
↗
12
701481521100
Knob, free accel
Loading…
↗
13
701482430000
Bushing
Loading…
↗
14
701481981000
Washer, wave 3
Loading…
↗
15
701482810000
Screw
Loading…
↗
16
978850501000
Screw, pan head(62x)
Loading…
↗
17
701482680000
Spacer 3
Loading…
↗
18
701482130000
Back, plate
Loading…
↗
19
927800602500
Screw flat head
Loading…
↗
20
701482550000
Coller 1
Loading…
↗
21
970800601800
Bolt (fj0)
Loading…
↗
23
701482460000
Spacer
Loading…
↗
24
929900630000
Washer, tooth
Loading…
↗
25
701482290000
Grip, control lever 2
Loading…
↗
26
701482220000
Grip, control lever
Loading…
↗
27
701482820000
Screw, pan head
Loading…
↗
28
701482390000
Set Pin, Plate
Loading…
↗
29
701482660000
Spacer 2
Loading…
↗
30
701482320000
Gear 1
Loading…
↗
31
701481891100
Retainer
Loading…
↗
33
701481531200
Shaft, free accel
Loading…
↗
34
701482711000
Arm, shift
Loading…
↗
35
934300602400
Circlip (701)
Loading…
↗
36
701483453000
Cable end, remote control 2
Loading…
↗
37
701482610000
Arm, throttle
Loading…
↗
38
701483580000
Anchor, cable
Loading…
↗
39
701825505000
Engine Stop Switch assembly
Loading…
↗
41
701482830000
Screw 3
Loading…
↗
42
701825940000
Clamp
Loading…
↗
43
701482910000
Attachment
Loading…
↗
46
701482800000
Neutral lock kit
Loading…
↗