Yamaha Outboard Parts - Remote Control Assy 2 - L150FETOL (2000) | Flood Marine

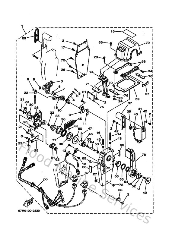
Diagram: Remote Control Assy 2

Diagram

Parts List

Reference
Description
Price