Yamaha Outboard Parts - Repair Kit 1 - 25NWH (1999) | Flood Marine
New Search
Parts
New Outboards
Home
25NWH (1999)
Repair Kit 1
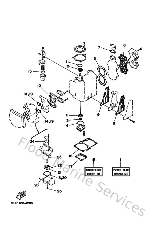
Diagram: Repair Kit 1
Parts List
Reference
Description
Price
1
6L2W00010300
Power head gasket kit
Loading…
↗
2
931022514200
Oil seal (24.8x38x7-662)
Loading…
↗
3
9310113M3700
Oil seal(6a4)
Loading…
↗
4
9321056M8000
O-ring(6j8)
Loading…
↗
5
6L211181A200
Gasket, cylinder head 1
Loading…
↗
6
6L211193A100
Gasket, head cover 1
Loading…
↗
7
61A12414A000
Gasket, cover
Loading…
↗
8
6L241114A100
Gasket, exhaust outer cover
Loading…
↗
9
6L241112A100
Gasket, exhaust inner cover
Loading…
↗
10
9310226M2700
Oil seal(6j8)
Loading…
↗
11
932104215900
O-ring (647)
Loading…
↗
12
6L2136210000
Gasket, valve seat
Loading…
↗
13
6L2143840000
Gasket, float chamber
Loading…
↗
14
6L2141980000
Gasket
Loading…
↗
15
932103273800
O-ring(1wg)
Loading…
↗
16
6L245113A100
Gasket, upper casing
Loading…
↗
17
6L241133A100
Gasket, exhaust manifold 1
Loading…
↗
18
6L2W00930000
Carburetor repair kit
Loading…
↗
21
6L2143850000
Float
Loading…
↗
22
6E5143860100
Pin, float
Loading…
↗
23
6L2143920000
Valve, needle
Loading…
↗
24
6L2143990000
Gasket
Loading…
↗
25
979800411200
Screw, pan head (686)
Loading…
↗
26
6L2143980000
Gasket
Loading…
↗