Yamaha Outboard Parts - Repair Kit 1 - 40XMH (2001) | Flood Marine
New Search
Parts
New Outboards
Home
40XMH (2001)
Repair Kit 1
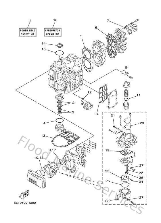
Diagram: Repair Kit 1
Parts List
Reference
Description
Price
1
66TW00010100
Power head gasket kit
Loading…
↗
2
9310230M5600
Oil seal
Loading…
↗
3
931011600100
Oil seal
Loading…
↗
4
9321065M5000
O-ring
Loading…
↗
5
66T11181A200
Gasket, cylinder head 1
Loading…
↗
6
66T11193A300
Gasket, head cover 1
Loading…
↗
7
67612414A000
Gasket, cover
Loading…
↗
8
66T41114A000
Gasket, exhaust outer cover
Loading…
↗
9
9321046M1600
O-ring (688)
Loading…
↗
10
9321054M5400
O-ring (6g1)
Loading…
↗
11
932103273800
O-ring(1wg)
Loading…
↗
12
65024431A000
Gasket,fuel pump
Loading…
↗
13
66T45113A000
Gasket, upper casing
Loading…
↗
14
931023500800
Oil seal
Loading…
↗
15
9321075M5100
O-ring (6f5)
Loading…
↗
16
66TW00930100
Carburetor repair kit
Loading…
↗
19
66T143840100
Gasket, float chamber
Loading…
↗
20
66T145360000
Gasket
Loading…
↗
21
6E5143230300
Screw, air adjusting
Loading…
↗
22
6E5145460000
Valve, needle
Loading…
↗
23
6E5143850200
Float
Loading…
↗
24
6E5143860200
Pin, float
Loading…
↗
25
66T149840000
Gasket, float chamber
Loading…
↗
26
66T149920000
Plug
Loading…
↗
27
66T149590000
Gasket
Loading…
↗
28
979800512500
Screw, panhead (a93)
Loading…
↗