Yamaha Outboard Parts - Repair Kit 1 - 90AETOL (1996) | Flood Marine
New Search
Parts
New Outboards
Home
90AETOL (1996)
Repair Kit 1
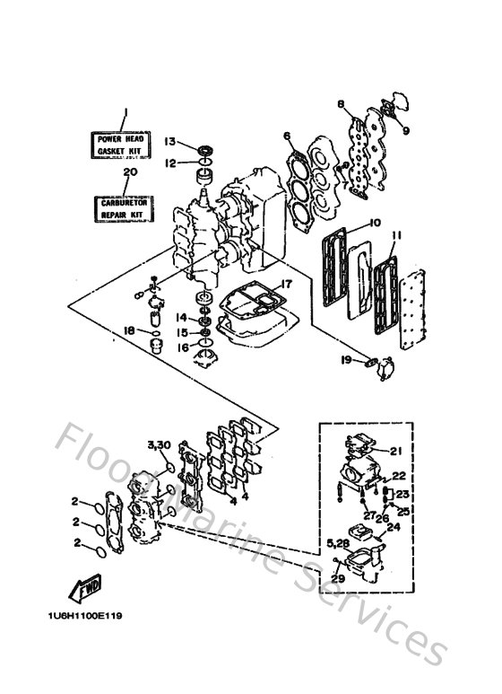
Diagram: Repair Kit 1
Parts List
Reference
Description
Price
1
6H1W00010200
Power head gasket kit
Loading…
↗
2
932104604400
O-ring
Loading…
↗
3
9321039ME400
O-ring(6h2)
Loading…
↗
4
68813621A100
Gasket, valve seat
Loading…
↗
5
6H4149840000
Gasket, float chamber
Loading…
↗
6
68811181A000
Gasket, cylinder head 1
Loading…
↗
7
904301411500
Gasket (663)
Loading…
↗
8
68811193A100
Gasket, head cover 1
Loading…
↗
9
68812414A100
Gasket, cover
Loading…
↗
10
68841112A000
Gasket, exhaust inner cover
Loading…
↗
11
68841114A000
Gasket, exhaust outer cover
Loading…
↗
12
9321046M1600
O-ring (688)
Loading…
↗
13
9310236M2400
Oil seal(52w)
Loading…
↗
14
9310230M0500
Oil seal (688)
Loading…
↗
15
9310420M0200
Oil seal (688)
Loading…
↗
16
932106226900
Ring, o(663)
Loading…
↗
17
68845113A000
Gasket, upper casing
Loading…
↗
18
932103273800
O-ring(1wg)
Loading…
↗
19
65024431A000
Gasket,fuel pump
Loading…
↗
20
6H1W00931000
Carburetor repair kit
Loading…
↗
21
6H4141470000
O-ring
Loading…
↗
22
932100422800
O-ring (371)
Loading…
↗
23
692145900000
Needle valve assembly
Loading…
↗
24
6H4145480000
Pin, float arm
Loading…
↗
25
663141590000
Clip
Loading…
↗
26
676141860000
Pin, valve
Loading…
↗
27
676149660000
Rubber cap
Loading…
↗
29
932100423000
O-ring (371)
Loading…
↗