Yamaha Outboard Parts - Repair Kit 1 - P100ETO (1997) | Flood Marine
New Search
Parts
New Outboards
Home
P100ETO (1997)
Repair Kit 1
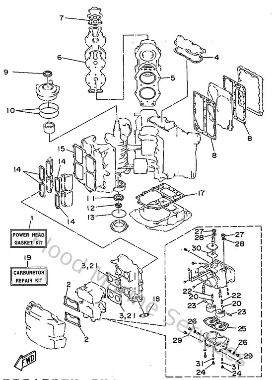
Diagram: Repair Kit 1
Parts List
Reference
Description
Price
1
6N6W0001A300
Gasket kit, power unit
Loading…
↗
2
6K7144830000
Gasket
Loading…
↗
3
6E514198A200
Gasket
Loading…
↗
4
6E511381A200
Gasket 1
Loading…
↗
5
6E511181A100
Gasket, cylinder head 1
Loading…
↗
6
6E511193A000
Gasket, head cover 1
Loading…
↗
7
68812414A100
Gasket, cover
Loading…
↗
8
6E541112A100
Gasket, exhaust inner cover
Loading…
↗
9
9310240M3800
Oil seal(61a)
Loading…
↗
10
932110438400
O-ring (705)
Loading…
↗
11
9310235M1300
Oil seal (6e5)
Loading…
↗
12
9310122M1500
Oil seal (6e5)
Loading…
↗
13
9321074M3500
O-ring (6e5)
Loading…
↗
14
6E513621A100
Gasket, valve seat
Loading…
↗
15
6E513645A100
Gasket, manifold 1
Loading…
↗
16
6E5143840300
Gasket, float chamber
Loading…
↗
17
6G545113A100
Gasket, upper casing
Loading…
↗
18
65024431A000
Gasket,fuel pump
Loading…
↗
20
6E5141590000
Clip
Loading…
↗
22
6E5145460000
Valve, needle
Loading…
↗
23
6E5143860200
Pin, float
Loading…
↗
24
61U143940000
Valve, drain
Loading…
↗
26
6E5143980100
Gasket
Loading…
↗
27
6E5143280100
Plug
Loading…
↗
28
6E5149790000
Gasket
Loading…
↗
29
6J8149950000
Gasket, drin screw
Loading…
↗
30
6E5149590100
Gasket
Loading…
↗
31
61U149590000
Gasket
Loading…
↗