Yamaha Outboard Parts - Repair Kit 2 - 70BETO (1990) | Flood Marine
New Search
Parts
New Outboards
Home
70BETO (1990)
Repair Kit 2
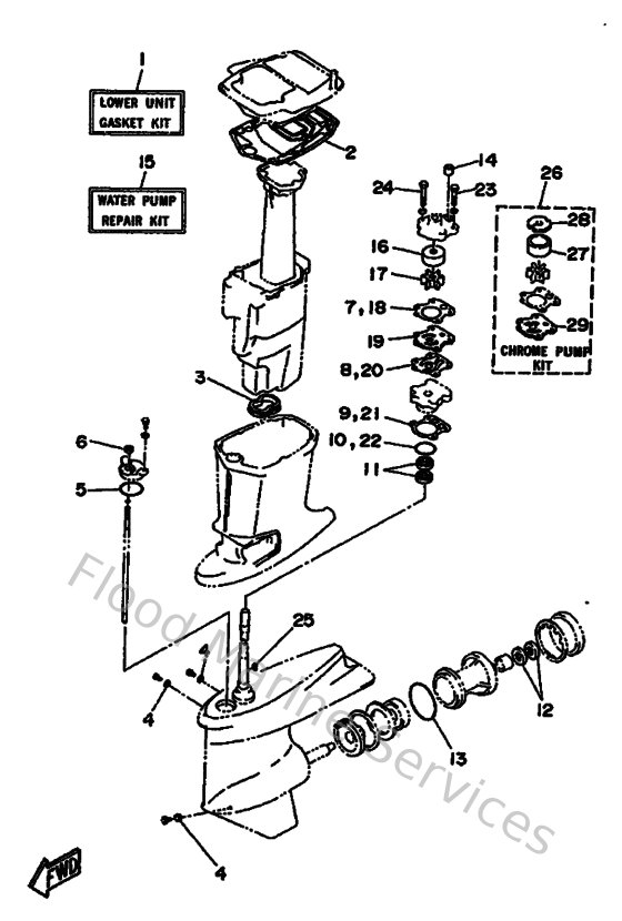
Diagram: Repair Kit 2
Parts List
Reference
Description
Price
1
6H3W00012100
Gasket kit, lower unit
Loading…
↗
2
6H3451140100
Gasket, upper casing
Loading…
↗
3
6H3451230000
Gasket, muffler
Loading…
↗
4
904300800300
Gasket
Loading…
↗
5
932104904600
O-ring (620)
Loading…
↗
6
931060901400
Oil seal
Loading…
↗
7
6H344315A000
Gasket,water pump 1
Loading…
↗
8
6H3443240000
Gasket,cartridge 0ut,plate
Loading…
↗
9
688443160100
Gasket,water pump 2
Loading…
↗
10
932104604400
O-ring
Loading…
↗
11
931012307000
Oil seal (663)
Loading…
↗
12
9310125M0300
Oil seal
Loading…
↗
13
9321085M9700
O-ring(6h1)
Loading…
↗
14
663443660000
Damper, water seal 2
Loading…
↗
15
6H3W0078A000
Water pump rerair kit
Loading…
↗
16
663443220000
Insert, cartridge
Loading…
↗
17
6H3443520000
Impellar
Loading…
↗
18
6H3443150000
Gasket,water pump 1
Loading…
↗
19
6H3443230000
Outer plate, cartridge
Loading…
↗
23
973950804500
Bolt, hexagon
Loading…
↗
24
973950805500
Bolt, hexagon
Loading…
↗
25
9028003M0300
Key, woodruff (697)
Loading…
↗
27
670443220100
Insert, cartridge
Loading…
↗
28
670443210000
Inner plate, cartridge
Loading…
↗
29
6H3443234000
Outer plate, cartridge
Loading…
↗