Yamaha Outboard Parts - Starter - 25DMH (1992) | Flood Marine
New Search
Parts
New Outboards
Home
25DMH (1992)
Starter
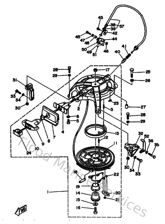
Diagram: Starter
Parts List
Reference
Description
Price
1
689157100300
Starter Assembly
Loading…
↗
2
676157110194
Case, Starter
Loading…
↗
3
916904002000
Pin, spring
Loading…
↗
4
689157580194
Guide De Cable
Loading…
↗
5
973950601600
Bolt, hexagon deep recess
Loading…
↗
6
929900660000
Washer, plain (646)
Loading…
↗
7
689157620100
Seal, Rubber 2
Loading…
↗
8
689157890000
Damper
Loading…
↗
9
689157550100
Handle, starter
Loading…
↗
13
9051009M0000
Spring, starter (676)
Loading…
↗
14
676157170000
Shaft, Starter
Loading…
↗
15
902010830900
Washer, Plate
Loading…
↗
16
970130802500
Bolt (682)
Loading…
↗
17
953330860000
Nut(6l2)
Loading…
↗
18
676157990100
Clip
Loading…
↗
19
9038635M0100
Bushing (676)
Loading…
↗
20
676157410300
Pawl, drive
Loading…
↗
21
9343006M0200
Circlip (689)
Loading…
↗
22
676157050000
Spring, pawl drive
Loading…
↗
23
676157730000
Stay 3
Loading…
↗
24
6F5157790200
Cover
Loading…
↗
25
970900803500
Bolt(70w)
Loading…
↗
26
929900860000
Washer, plain (663)
Loading…
↗
27
995101201600
Pin, dowel
Loading…
↗
28
970800603000
Bolt(jf7)
Loading…
↗
30
953030660000
Nut(661)
Loading…
↗
31
6H7157710194
Stay 1
Loading…
↗
32
656157720094
Stay 2
Loading…
↗
33
9010106M2700
Bolt
Loading…
↗
35
973130604500
Bolt, hexagon
Loading…
↗
37
656157700000
Wire Comp Starter Stop
Loading…
↗
38
901230604900
Bolt(6A9)
Loading…
↗
39
953800660000
Nut(661)
Loading…
↗
40
656157480000
Plunger, starter stop
Loading…
↗
41
905011022700
Spring, comprreshion(656)
Loading…
↗
42
656157740000
Stay 4
Loading…
↗
43
973130601000
Bolt
Loading…
↗
44
656157490000
Link comp, starter stop
Loading…
↗
45
970800602000
Bolt(7u8)
Loading…
↗
47
902060801000
Washer(656)
Loading…
↗
48
903870656800
Collar (3l6)
Loading…
↗
49
902060500500
Washer, wave(656)
Loading…
↗
50
929900560000
Washer, plain (646)
Loading…
↗
51
914901601000
Pin, cotter
Loading…
↗
52
689813320100
Plate, timming
Loading…
↗