Yamaha Outboard Parts - Starter - 25JETO (1994) | Flood Marine
New Search
Parts
New Outboards
Home
25JETO (1994)
Starter
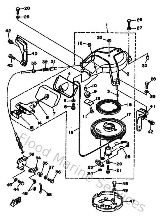
Diagram: Starter
Parts List
Reference
Description
Price
1
6J8157100100
Starter Assembly
Loading…
↗
2
6J8157110094
Case, starter
Loading…
↗
3
916904001400
Pin, spring (6f2)
Loading…
↗
4
6J8157580094
Guide, Rope (6J8-15758-00-4D)
Loading…
↗
5
970950601600
Bolt, hexagon deep recess
Loading…
↗
6
929900660000
Washer, plain (646)
Loading…
↗
7
6J8157620000
Seal, rubber 2
Loading…
↗
8
6A0157890000
Damper
Loading…
↗
9
6F5157520000
Roller, wire
Loading…
↗
10
6F5157530000
Bushing 1
Loading…
↗
11
970950602500
Bolt
Loading…
↗
12
953800660000
Nut(661)
Loading…
↗
13
6J8157870000
Adaptor
Loading…
↗
14
689157550100
Handle, starter
Loading…
↗
15
6F5157790200
Cover
Loading…
↗
17
6J8157140000
Drum, sheave
Loading…
↗
18
9051008M0400
Spring, spiral (677)
Loading…
↗
19
677157170100
Shaft
Loading…
↗
20
90201065F300
Washer, plate
Loading…
↗
21
9010106M2700
Bolt
Loading…
↗
22
953800670000
Nut
Loading…
↗
23
676157410300
Pawl, drive
Loading…
↗
24
9343006M0200
Circlip (689)
Loading…
↗
25
6J8157050000
Spring, drive pawl
Loading…
↗
26
970950603500
Bolt(j52)
Loading…
↗
30
995301001400
Pin, dowel
Loading…
↗
31
656157480000
Plunger, starter stop
Loading…
↗
32
905011022700
Spring, comprreshion(656)
Loading…
↗
33
6J8157700000
Cable comp., starter stop
Loading…
↗
34
6J8157460100
Arm
Loading…
↗
35
9038706M2900
Coller (6a0)
Loading…
↗
38
6J8157470000
Link
Loading…
↗
39
6J8157740100
Stay 4
Loading…
↗
40
6J8157710094
Stay 1
Loading…
↗
41
6J8157720094
Stay 2
Loading…
↗
42
975950652000
Bolt(7u8)
Loading…
↗
43
970800602000
Bolt(7u8)
Loading…
↗
46
661412620200
Joint, choke lever
Loading…
↗
47
6J8157230000
Pulley, starter
Loading…
↗
48
970110801600
Bolt, hexagon
Loading…
↗
49
929900860000
Washer, plain (663)
Loading…
↗