Diagram Sections: 25JETO (1994)
Download as PDF-
Bottom Cowling
-
Bracket 1
-
Bracket 2
-
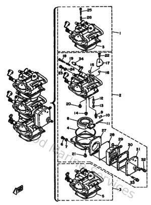
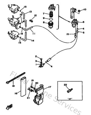
Carburetor
-
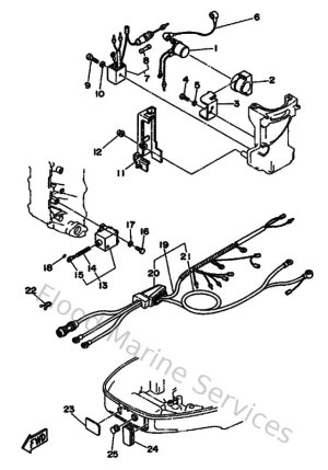
Control
-
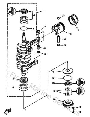
Crankshaft & Piston
-
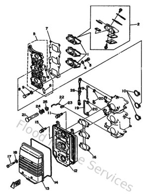
Cylinder & Crankcase
-
Fuel
-
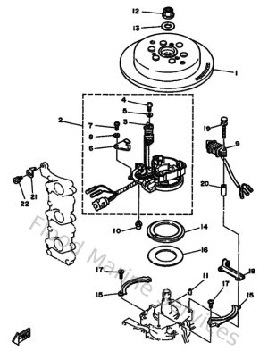
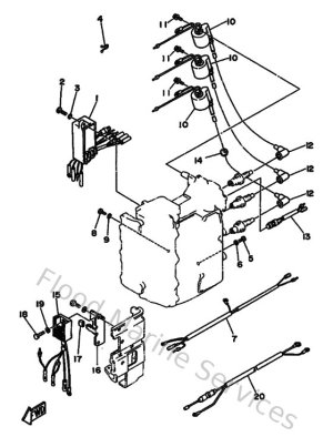
Generator
-
Intake
-
Kits De Reparation 1
-
Kits De Reparation 2
-
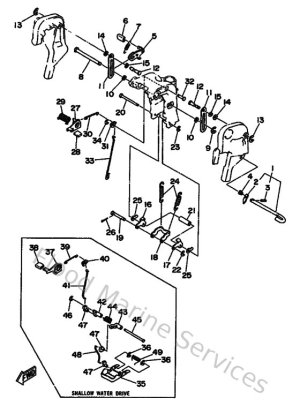
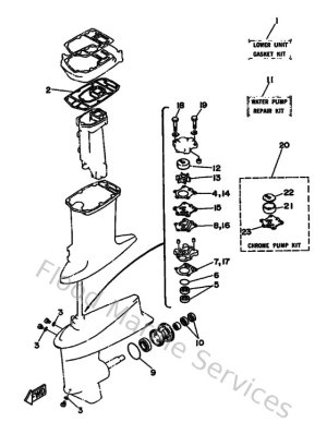
Lower Casing & Drive
-
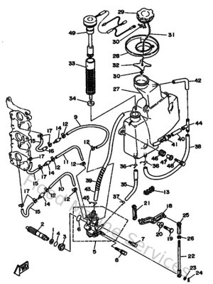
Oil Pump
-
Optionnelles 1
-
Optionnelles 2
-
Partie Electrique 1
-
Remo Con Attachment
-
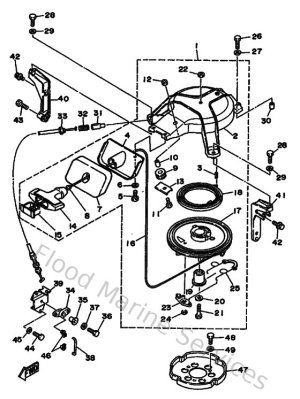
Starter
-
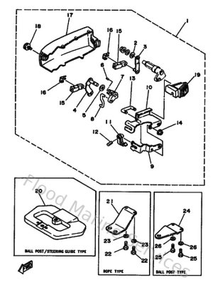
Steering
-
Top Cowling
-
Upper Casing