Yamaha Outboard Parts - Starter - 4ACMH (1993) | Flood Marine

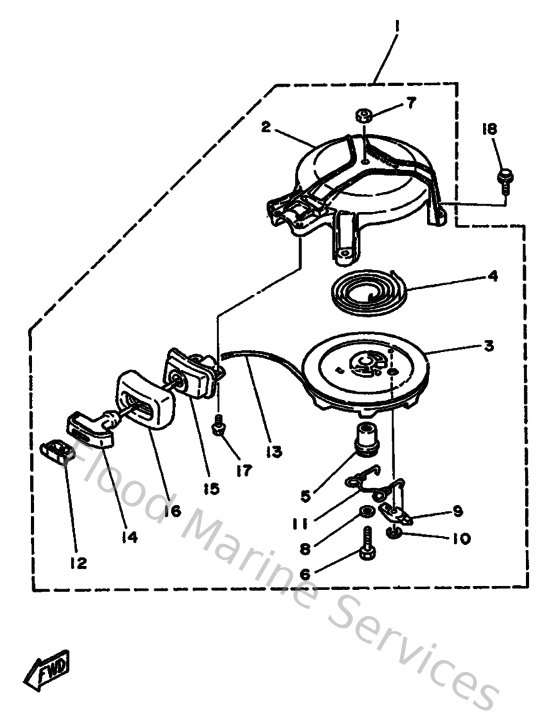
Diagram: Starter

Diagram