Yamaha Outboard Parts - Starter - 4ACMH (2001) | Flood Marine
New Search
Parts
New Outboards
Home
4ACMH (2001)
Starter
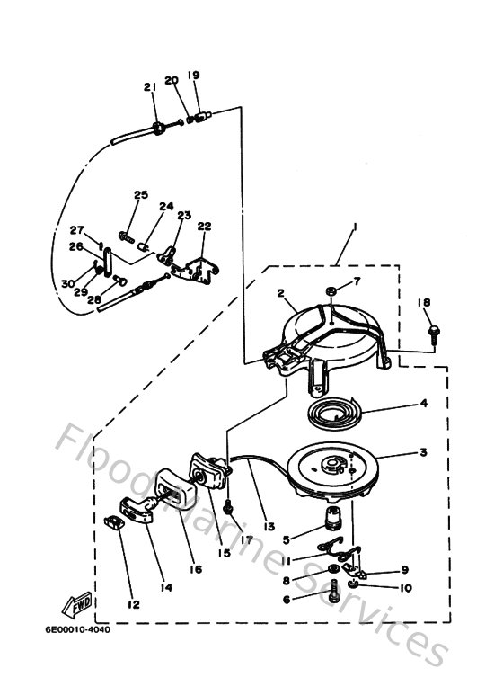
Diagram: Starter
Parts List
Reference
Description
Price
1
6E0157100394
Starter assembly
Loading…
↗
2
6E0157110194
Case, starter
Loading…
↗
3
6E0157140100
Drum, sheave
Loading…
↗
4
9051008M0300
Spring, spiral (6g1)
Loading…
↗
5
6E0157170000
Shaft, starter
Loading…
↗
6
970130603500
Bolt(3rv)
Loading…
↗
7
956010620000
Nut, u flange
Loading…
↗
8
9020106M3000
Washer, plate (6a1)
Loading…
↗
9
677157410100
Pawl, drive
Loading…
↗
10
9343006M0200
Circlip (689)
Loading…
↗
11
6E0157050000
Spring drive pawl assembly
Loading…
↗
12
6G1157790000
Cover
Loading…
↗
14
6G1157550000
Handle, starter
Loading…
↗
15
6E0157580100
Guide, wire
Loading…
↗
16
6E0157610000
Seal, rubber 1
Loading…
↗
17
958950601600
Bolt, flange deep recess
Loading…
↗
18
958950602000
Bolt, flange(jk3)
Loading…
↗