Yamaha Outboard Parts - Starter - 5CMH (1999) | Flood Marine
New Search
Parts
New Outboards
Home
5CMH (1999)
Starter
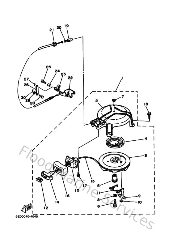
Diagram: Starter
Parts List
Reference
Description
Price
1
6E4157107394
Starter assembly
Loading…
↗
2
6E4157117194
Case, starter
Loading…
↗
3
6E0157140100
Drum, sheave
Loading…
↗
4
9051008M0300
Spring, spiral (6g1)
Loading…
↗
5
6E0157170000
Shaft, starter
Loading…
↗
6
970130603500
Bolt(3rv)
Loading…
↗
7
956040620000
Nut, u flange
Loading…
↗
8
9020106M3000
Washer, plate (6a1)
Loading…
↗
9
677157410100
Pawl, drive
Loading…
↗
10
9343006M0200
Circlip (689)
Loading…
↗
11
6E0157050000
Spring drive pawl assembly
Loading…
↗
12
6G1157790000
Cover
Loading…
↗
14
6G1157550000
Handle, starter
Loading…
↗
15
6E3157580100
Guide, wire
Loading…
↗
16
6E0157610000
Seal, rubber 1
Loading…
↗
17
958950601600
Bolt, flange deep recess
Loading…
↗
18
958950602000
Bolt, flange(jk3)
Loading…
↗
19
656157480000
Plunger, starter stop
Loading…
↗
20
905011022700
Spring, comprreshion(656)
Loading…
↗
21
6E4157707000
Wire comp. starter stop
Loading…
↗
22
6E4157727100
Stay 2
Loading…
↗
23
6E4157467000
Arm
Loading…
↗
24
903870650400
Collar(650)
Loading…
↗
25
9011906M1800
Bolt, with washer(61n)
Loading…
↗
26
6E4157477000
Link
Loading…
↗
27
904681000500
Pin, hair 6264123500
Loading…
↗
28
917900501000
Pin (6e4)
Loading…
↗
29
902020508800
Washer, plate (666)
Loading…
↗
30
914901601000
Pin, cotter
Loading…
↗