Yamaha Outboard Parts - Steering - F15AMH (1998) | Flood Marine
New Search
Parts
New Outboards
Home
F15AMH (1998)
Steering
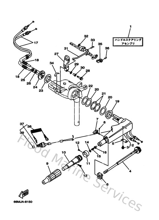
Diagram: Steering
Parts List
Reference
Description
Price
1
66MW0084004D
Handle steering assembly
Loading…
↗
2
65W42101014D
Handle, steering
Loading…
↗
3
9010906M8600
Bolt
Loading…
↗
4
65W421380000
Lever, throttle
Loading…
↗
5
65W421590000
Stay
Loading…
↗
6
6G1421260000
Piece, friction
Loading…
↗
7
65W421250000
Bolt, friction adjusting
Loading…
↗
8
914901601000
Pin, cotter
Loading…
↗
9
66M421770000
Rubber, handle
Loading…
↗
10
66M421190100
Grip, steering handle
Loading…
↗
11
689421372000
Indicator, Throttle
Loading…
↗
12
9026902M0900
Rivet(6l5)
Loading…
↗
13
9014905M1300
Screw, countersunk
Loading…
↗
14
929901060000
Washer, plate
Loading…
↗
15
905012321500
Spring (655)
Loading…
↗
16
903860803200
Bushing (650)
Loading…
↗
17
66M263110000
Cable, throttle 1
Loading…
↗
18
9044610M8700
Hose
Loading…
↗
19
9038640MA000
Bushing
Loading…
↗
20
9020143M0000
Washer, plate
Loading…
↗
21
9020643M2200
Washer, wave
Loading…
↗
22
9020243M5700
Washer, plate
Loading…
↗
23
9038640M9900
Bush
Loading…
↗
24
66M421310100
Cover, handle steering
Loading…
↗
25
957800830000
Nut, nylon (6j8)
Loading…
↗
26
953801070000
Nut (682)
Loading…
↗
27
66M441110100
Handle, gear shift
Loading…
↗
28
975950653000
Bolt, hexagon w/w deep recess
Loading…
↗
29
9020610M0400
Washer, wave (676)
Loading…
↗
30
9038706M7800
Collar
Loading…
↗
31
66M441240000
Link, shift rod
Loading…
↗
32
929900620000
Ybs66-6 washer, plain
Loading…
↗
33
904681800800
Clip 620436610000
Loading…
↗
34
6X3441910000
Indicator, shift
Loading…
↗
37
65W825750000
Engine stop switch assembly
Loading…
↗
38
682825560000
Lanyard, stop switch
Loading…
↗
39
6898257Y0000
Cap
Loading…
↗