Yamaha Outboard Parts - Top Cowling - 250AETOXLX (1995) | Flood Marine
New Search
Parts
New Outboards
Home
250AETOXLX (1995)
Top Cowling
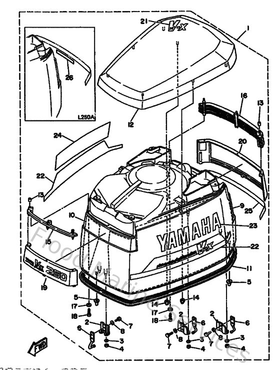
Diagram: Top Cowling
Parts List
Reference
Description
Price
2
6R3426470000
Holder, clamp band
Loading…
↗
3
929950610000
Washer(6a1)
Loading…
↗
4
953800660000
Nut(661)
Loading…
↗
5
6R3426620000
Damper
Loading…
↗
6
6R3428140000
Hook, clamp
Loading…
↗
7
970800601200
Bolt(gh1)
Loading…
↗
8
929900660000
Washer, plain (646)
Loading…
↗
9
61A426190100
Damper, Form
Loading…
↗
10
61A426270200
Damper Form
Loading…
↗
11
61A426150100
Seal
Loading…
↗
12
61A42613014D
Molding Air Duct
Loading…
↗
13
9038504M0500
Bush(6r2)
Loading…
↗
14
9017906M2400
Nut(6j8)
Loading…
↗
15
61A426260000
Louver, 1
Loading…
↗
16
61A426360000
Louver, 2
Loading…
↗
17
929900460000
Washer, plain (646)
Loading…
↗
18
977804012000
Ybs83-420 screw,panh,tapping
Loading…
↗
21
61A42683A000
Mark, Cowling
Loading…
↗
26
6R142678G000
Graphic, Rear
Loading…
↗