Yamaha Outboard Parts - Upper Casing - 40QMH (1993) | Flood Marine
New Search
Parts
New Outboards
Home
40QMH (1993)
Upper Casing
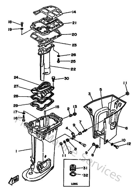
Diagram: Upper Casing
Parts List
Reference
Description
Price
2
6A0427610000
Stopper
Loading…
↗
4
6A0427440000
Stay
Loading…
↗
5
6A0427680000
Damper 1
Loading…
↗
6
6A0427690000
Seal, Rubber
Loading…
↗
7
6A0427420000
Bolt
Loading…
↗
8
9048012M1100
Grommet (6a0)
Loading…
↗
9
6A0427580000
Coller
Loading…
↗
10
9020106M3100
Washer (6a0)
Loading…
↗
11
953800660000
Nut(661)
Loading…
↗
12
973950602200
Bolt(61k)
Loading…
↗
13
67645113A000
Gasket, upper casing
Loading…
↗
14
9360625M0000
Pin, dowel b (676)
Loading…
↗
16
973950804000
Bolt, hexagon
Loading…
↗
17
929900810000
Ybs67-8 washer, spring
Loading…
↗
18
973950602500
Bolt
Loading…
↗
19
929900610000
Washer(6a1)
Loading…
↗
21
676411370394
Guide Exhaust
Loading…
↗
24
676451270000
Seal 1
Loading…
↗
25
970800602000
Bolt(7u8)
Loading…
↗
27
67641116005B
Protector
Loading…
↗
30
9010506M0100
Bolt (6f5)
Loading…
↗
31
6A0453180000
Bushing drive shaft assembly 3
Loading…
↗
32
9342036M0100
Circlip (6a0)
Loading…
↗