Diagram Sections: 40QMH (1993)
Download as PDF-
Bottom Cowling
-
Bracket 1
-
Bracket 2
-
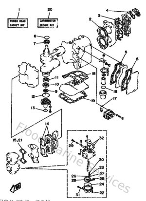
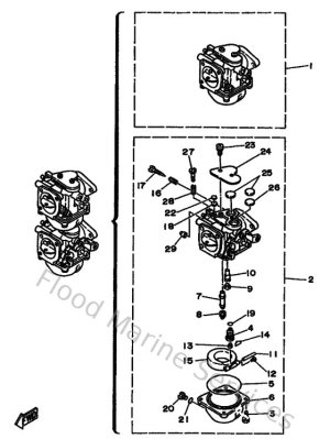
Carburetor
-
Control
-
Crankshaft & Piston
-
Cylinder & Crankcase
-
Electrical 1
-
Electrical 2
-
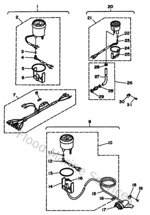
Fuel 1
-
Fuel 2
-
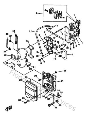
Intake
-
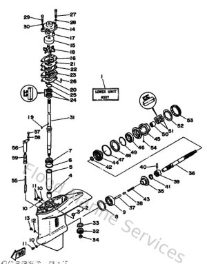
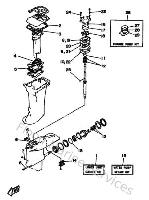
Lower Casing & Drive 1
-
Lower Casing & Drive 2
-
Magneto
-
Optional Parts 1
-
Optional Parts 2
-
Optional Parts 3
-
Optional Parts 4
-
Remote Control
-
Remote Control Assy
-
Repair Kit
-
Repair Kit 2
-
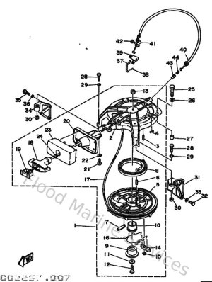
Starter
-
Starting Motor
-
Steering
-
Top Cowling
-
Upper Casing