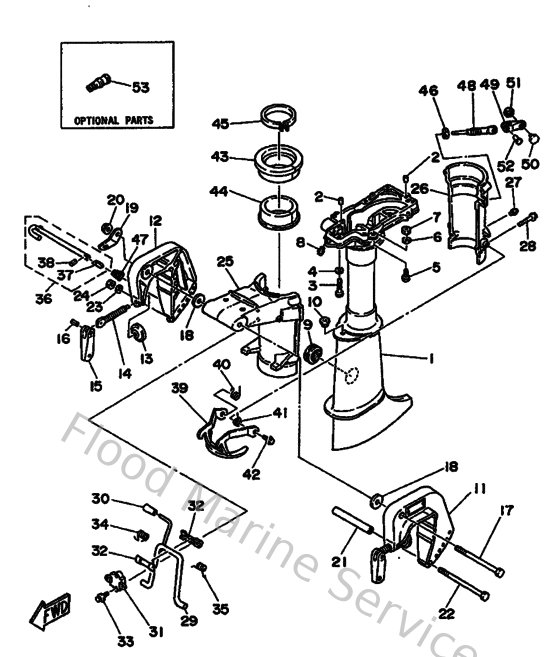
Yamaha Outboard Parts - Upper Casing & Bracket - 4ACMH (1993) | Flood Marine

Diagram: Upper Casing & Bracket

Diagram

Parts List

Reference
Description
Price