Yamaha Outboard Parts - Upper Casing & Bracket - 4ACMH (1994) | Flood Marine
New Search
Parts
New Outboards
Home
4ACMH (1994)
Upper Casing & Bracket
Diagram: Upper Casing & Bracket
Parts List
Reference
Description
Price
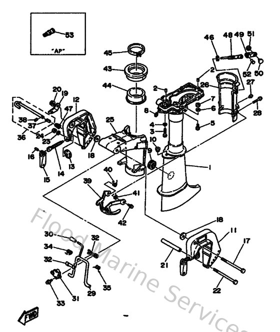
1
6E045111024D
Casing, upper
Loading…
↗
2
936061201900
Pin, dowel (614)
Loading…
↗
3
970800603000
Bolt(jf7)
Loading…
↗
4
929900660000
Washer, plain (646)
Loading…
↗
5
970950601600
Bolt, hexagon deep recess
Loading…
↗
7
9538R0670000
Nut
Loading…
↗
8
9370006M0300
Nipple, grease(6a1)
Loading…
↗
9
647451510100
Cover, upper casing
Loading…
↗
10
9048010M1300
Grommet (6e0)
Loading…
↗
11
6E043111014D
Bracket, clamp 1
Loading…
↗
12
6E043112014D
Bracket, clamp 2
Loading…
↗
13
648431140100
Pad, transom clamp
Loading…
↗
14
6E0431160100
Screw, transom clamp
Loading…
↗
15
6E0431180000
Handle, transom clamp
Loading…
↗
16
9025404M0000
Pin(6a1)
Loading…
↗
17
9010108M0700
Bolt(6e0)
Loading…
↗
18
9020108M0300
Washer, plate(6e0)
Loading…
↗
19
6A1431130100
Plate, clamp bracket
Loading…
↗
20
957800830000
Nut, nylon (6j8)
Loading…
↗
21
9038706M1100
Collar
Loading…
↗
22
901010633500
Bolt, hexagon (624)
Loading…
↗
24
953800660000
Nut(661)
Loading…
↗
25
6E043311044D
Bracket, swivel 1
Loading…
↗
26
6E043312028D
Bracket, swivel 2
Loading…
↗
28
958950603500
Bolt, flange(4nx)
Loading…
↗
29
6E0431810000
Lever, tilt stop 1
Loading…
↗
30
6E0436320000
Knob, tilt
Loading…
↗
31
6E0433130094
Bracket, swivel 3
Loading…
↗
32
620431890000
Bushing
Loading…
↗
33
958800602000
Bolt, flange(jk3)
Loading…
↗
34
905081602000
Spring 6474319800
Loading…
↗
35
905081602100
Spring 6474318800
Loading…
↗
36
6E0431600100
Tilt rod assembly
Loading…
↗
37
689431650000
Plate, tilt lock
Loading…
↗
38
916903000800
Pin. spring(656)
Loading…
↗
39
6E043614005B
Plate, tilt lock
Loading…
↗
40
9050814M1000
Spring, torsion (6e0)
Loading…
↗
41
9050814M1100
Spring, torsion (6e0)
Loading…
↗
42
958950601000
Bolt, flange(7ht)
Loading…
↗
43
6E0425370200
Bushing, pivot shaft
Loading…
↗
44
6E0425380200
Bushing, pivot shaft
Loading…
↗
45
6E0425280300
Plate, friction
Loading…
↗
46
988800810000
Nut, hex.
Loading…
↗
47
9050208M0500
Spring, conical(6e0)
Loading…
↗
48
6L5425290100
Screw, friction piece
Loading…
↗
49
6L5425610000
Knob, steering lock
Loading…
↗
50
6L5441960000
Indicator 3
Loading…
↗
51
6L5441970000
Indicator 4
Loading…
↗
52
9026604M0500
Rivet(6l5)
Loading…
↗
53
6E0281930094
Plug, water check
Loading…
↗