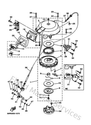
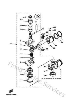
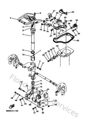
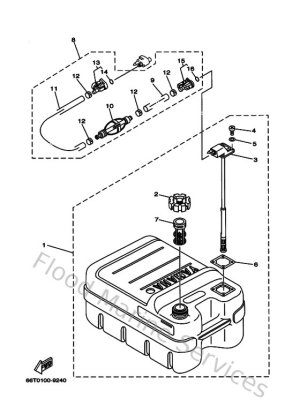
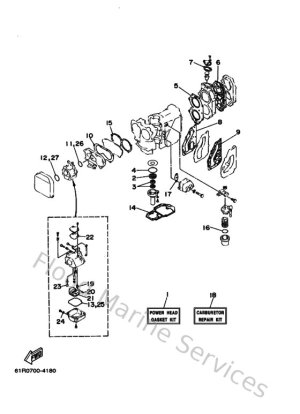
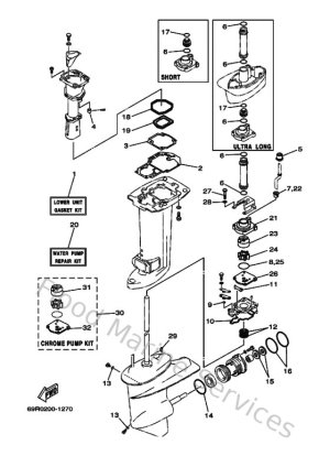
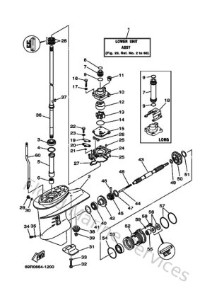
Diagram Sections: 25BMH (2001)

Download as PDF