New Search
Parts
New Outboards
Diagram Sections: 2BMH (1993)
Download as PDF
Bracket 1
Carburetor
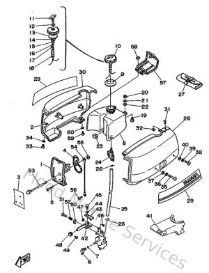
Cowling & Fuel
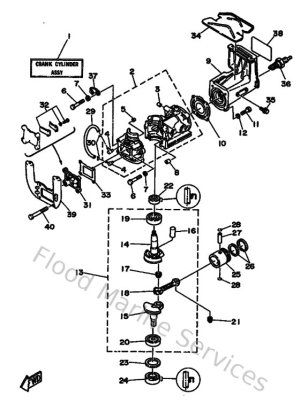
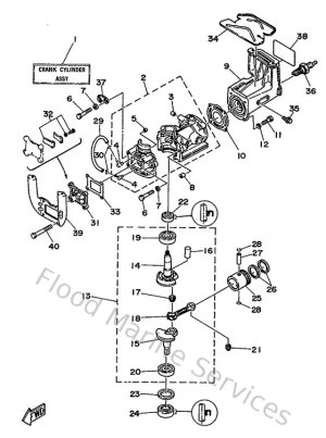
Cylinder & Crankcase
Cylinder. Crankcase
Generator
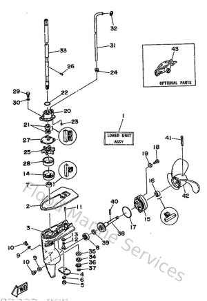
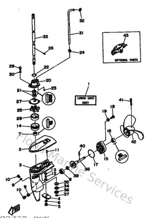
Lower Casing & Drive 1
Lower Casing Drive 1
Repair Kit
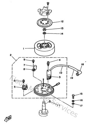
Starter
Upper Casing