Diagram Sections: 30AMH (1985)
Download as PDF-
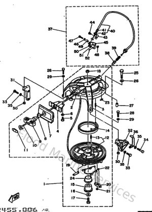
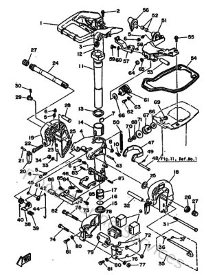
Bottom Cowling
-
Bracket
-
Control
-
Crankshaft & Piston
-
Cylinder & Crankcase
-
Electric Motor
-
Electric Parts
-
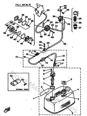
Fuel
-
Intake
-
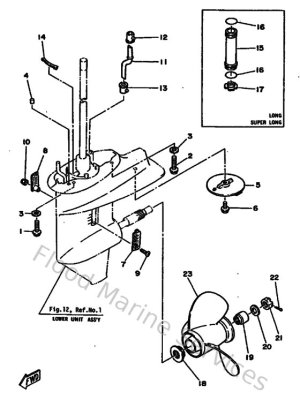
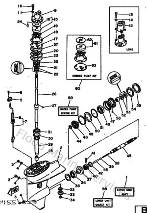
Lower Casing & Drive 1
-
Lower Casing & Drive 2
-
Magneto
-
Optional Parts 1
-
Optional Parts 2
-
Optional Parts 3
-
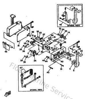
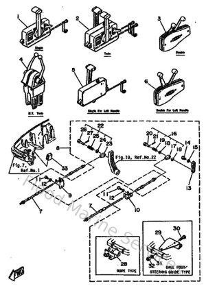
Remote Control
-
Remote Control Assy
-
Repair Kit
-
Starter
-
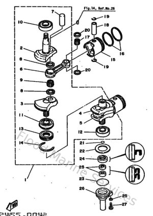
Steering
-
Steering Guide Attachment 1
-
Switch Panel
-
Top Cowling
-
Upper Casing