New Search
Parts
New Outboards
Diagram Sections: E15DMH (2003)
Download as PDF
BOTTOM COWLING
BRACKET 1
BRACKET 2
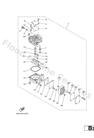
CARBURETOR
CONTROL
CRANKSHAFT. PISTON
CYLINDER. CRANKCASE
ELECTRICAL
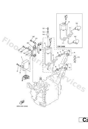
FUEL
FUEL TANK
GENERATOR
INTAKE
LOWER CASING. DRIVE 1
LOWER CASING. DRIVE 2
REPAIR KIT 1
REPAIR KIT 2
STARTER
STEERING
TOP COWLING
UPPER CASING