New Search
Parts
New Outboards
Diagram Sections: FT9.9AMH (1999)
Download as PDF
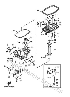
Bottom Cowling
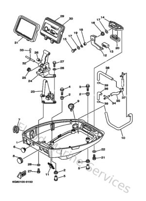
Bracket 1
Bracket 5
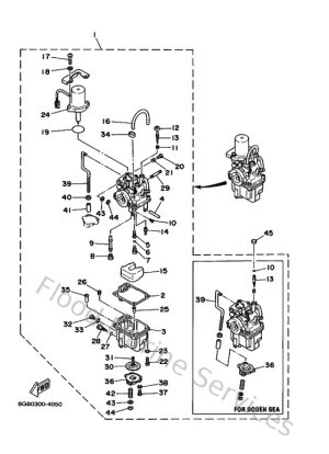
Carburetor
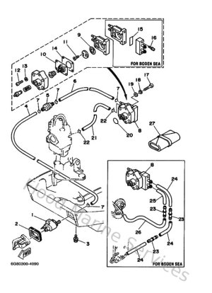
Control
Crankshaft & Piston
Cylinder & Crankcase
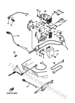
Electrical 1
Electrical 2
Fuel
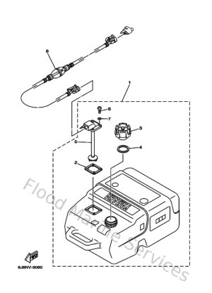
Fuel Tank
Generator
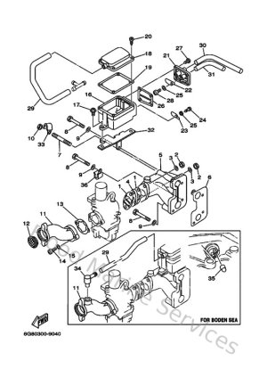
Intake
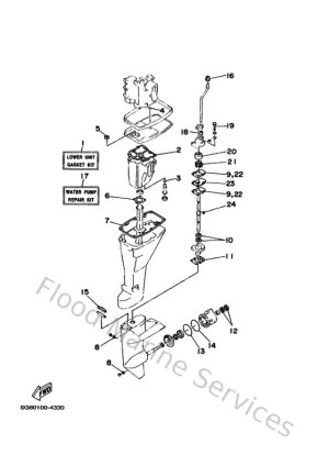
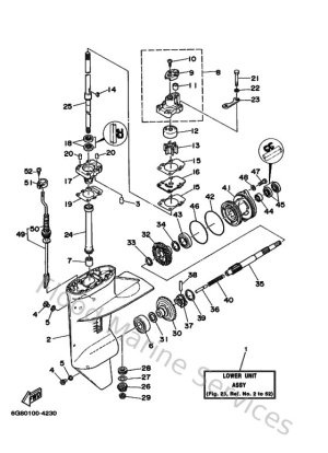
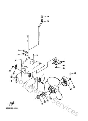
Lower Casing & Drive 1
Lower Casing & Drive 2
Oil Pan
Oil Pump
Repair Kit 1
Repair Kit 2
Starter
Steering
Top Cowling
Upper Casing
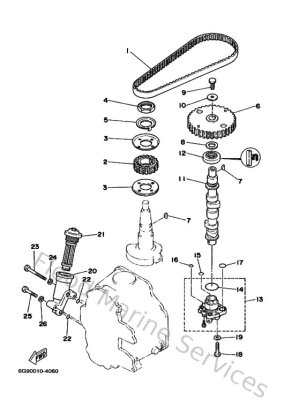
Valve